Sign In | Join Free | My china-telecommunications.com
China Hoyamo and Sinowon Inc logo
Hoyamo and Sinowon Inc
Mission: Your Precision, Our Mission Vision: Green Earth, Transparent Inspection Values: The Inspection Makes a Better World Your Precision Our Mission
Verified Supplier

2 Years

Home > Metallographic Analysis Machines >

Manual Abrasive Cutting Machine 4.0KW MC-300 With Variable Speed

Hoyamo and Sinowon Inc
Trust Seal
Verified Supplier
Credit Check
Supplier Assessment
Contact Now

Manual Abrasive Cutting Machine 4.0KW MC-300 With Variable Speed

  • 1
  • 2

Brand Name : SINOWON

Model Number : MC-300

Certification : CE

Place of Origin : Dongguan, China

MOQ : 1 Sets

Price : Can be discussed

Payment Terms : L/C, T/T

Supply Ability : 100 Sets/Month

Delivery Time : 30 work days

Packaging Details : Plywood

Code# : 711-132

Feed mode : Table feed and wheel feed, manual

Blade(mm) : 300*32*1.8mm

Blade speed(rpm) : 2800, Variable speed

Table : 294*230mm

Motor : 4.0KW

Contact Now

Manual Abrasive Cutter MC-300

Manual Abrasive Cutting Machine 4.0KW MC-300 With Variable Speed

The MC-300 is a tabletop manual abrasive cutter with robust and durable design. This is a versatile cutting machine, designed for sectioning an extremely wide range of materials, such as ferrous metals, non-ferrous metals, fasteners, foundry castings, heat treated parts, rocks and ceramics, etc. It has table feed and wheel feed modes. Ideal for material test laboratory, as well as for small industrial or production applications.

Manual Abrasive Cutting Machine 4.0KW MC-300 With Variable Speed

Features:

● Aluminum casting, powder coated

● Variable speed motor (option)

● T-slot Table made of stainless and aluminum alloy

●Fast Cam Locking Vises, made of 304 stainless steel

● Chamber illumination with LED

● Electronic braking system for faster stopping the blade (option)

● Side port window for longer samples

● Mobile plastic recirculation coolant tank

● Large workspace

Technical Specifications:

Description MC-300
Code# 711-132
Feed mode Table feed and wheel feed, manual
Blade(mm) 300*32*1.8
Blade speed(rpm) ● 2800 ○ Variable speed
Table (WxD,mm) 294*230
Motor 4.0KW
Power ● 3P-380V,50/60Hz, 3P ○3P- 220,440,480V
Accessories
Diamond Blade
SiC blade
Alumina Blade
Fast Cam Locking Vises
Vertical Clamping vise
Vertical Champing vise with chain
Customized vises
Cutting fluid

●Standard ○Option

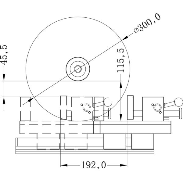
Dimensions

Manual Abrasive Cutting Machine 4.0KW MC-300 With Variable Speed

Cutting Capacity

Manual Abrasive Cutting Machine 4.0KW MC-300 With Variable Speed

Thickness

Manual Abrasive Cutting Machine 4.0KW MC-300 With Variable Speed

Details

Manual Abrasive Cutting Machine 4.0KW MC-300 With Variable Speed


Product Tags:

Abrasive Cutting Machine 4.0KW

      

Manual Abrasive Cutting Machine

      
Quality Manual Abrasive Cutting Machine 4.0KW MC-300 With Variable Speed for sale

Manual Abrasive Cutting Machine 4.0KW MC-300 With Variable Speed Images

Inquiry Cart 0
Send your message to this supplier
 
*From:
*To: Hoyamo and Sinowon Inc
*Subject:
*Message:
Characters Remaining: (0/3000)